Product Summary
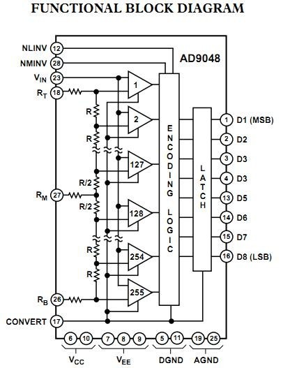
The AD9048TQ/883B is an 8-bit, 35 MSPS flash converter, made on a high speed bipolar process, which is an alternate source for the TDC1048 unit, offers enhancements over its predecessor. Lower power dissipation makes the AD9048TQ/883B attractive for a variety of system designs. The AD9048TQ/883B is suitable for Professional Video Systems, Special Effects Generators, Electro-Optics, Digital Radio, Electronic Warfare (ECM, ECCM, ESM).
Parametrics
AD9048TQ/883B absolute maximum ratings: (1)VCC to DGND: -0.5 V dc to +7.0 V; (2)AGND to DGND: -0.5 V dc to +0.5 V; (3)VEE to AGND: +0.5 V dc to -7.0 V; (4)VIN, VRT or VRB to AGND: +0.5 V to VEE; (5)VRT to VRB: -2.2 V dc to +2.2 V; (6)CONV, NMINV or NLINV to DGND: -0.5 V dc to +5.5 V; (7)Applied Output Voltage to DGND: -0.5 V dc to +5.5 V; (8)Applied Output Current, Externally Forced: –1.0mA to +6.0mA; (9)Output Short-Circuit Duration: 1.0 sec; (10)Operating Temperature Range (Ambient): 0℃ to +70℃; (11)Maximum Junction Temperature: +150℃; (12)Lead Temperature (Soldering, 10 sec): +300℃; (13)Storage Temperature Range: –65℃ to +150℃.
Features
AD9048TQ/883B features: (1)35 MSPS Encode Rate; (2)16pF Input Capacitance; (3)550 mW Power Dissipation; (4)Industry-Standard Pinouts; (5)MIL-STD-883 Compliant Versions Available.
Diagrams

(China (Mainland))






